(openPR) München, 15. Oktober 2007 – ExpertControl kündigt heute an, dass ICP for LabVIEW jetzt mit LabVIEW 8.5 kompatibel ist. ICP ist eine Engineering-Software-Umgebung, die es Ingenieuren erlaubt, automatisch aus der gemessenen Dynamik von Systemen und Komponenten Regelungen zu entwerfen und die Reglerparameter zu bestimmen. ICP arbeitet in der LabVIEW-Entwicklungsumgebung, und die resultierenden Regler können direkt für Regelungsanwendungen auf NI Hardware wie NI FieldPoint, NI CompactRIO oder NI PXI Systemen eingesetzt werden. Das „Compatible Program” ist auf dem LabVIEW Tools Network (www.ni.com/labviewtools) zu finden und ermöglicht Kunden, die Vorteile einer Kombination von leistungsfähiger Hard- und Software schnell zu nutzen.
Traditionelles Regelungsdesign ist bekannterweise sehr kompliziert und zeitintensiv. Genau diese Problematik hält noch immer Ingenieure davon ab, existierende Methoden auf breiter Basis in ihrem industriellen Alltag einzusetzen. Mit ICP for LabVIEW dagegen können Anwender Regelungen, basierend auf Messdaten, schnell und automatisch auslegen und sie in ihren Systemen einsetzen. Expertenwissen wird dabei vom Tool nicht verlangt. ICP for LabVIEW reduziert die erforderliche Zeit zum Entwerfen und Implementieren optimaler Regler von Tagen oder Wochen zu einem Aufwand von Sekunden oder Minuten, wobei die Qualität der Regelkreisdynamik weiterhin beibehalten oder verbessert wird. Selbst in Situationen, in denen noch keine Regler oder nur schlecht konditionierte Regler vorhanden sind, kann ICP for LabVIEW helfen, die benötigte Reglerstruktur und die Parameter schnell und automatisch zu gewinnen.
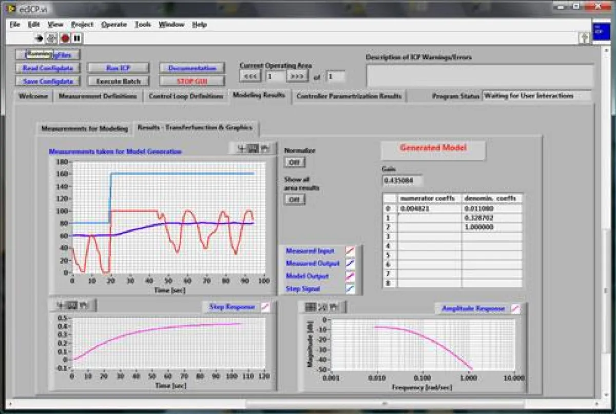
ICP for LabVIEW stellt eine integrierte zweistufige Methode bereit. Sie beginnt mit Messdaten der Systemdynamik und charakterisiert diese im ersten Schritt dadurch, dass dynamische Modelle generiert werden – und dies auch für mehrere Arbeitspunkte, wenn es erforderlich ist. Im zweiten Schritt werden die im Schritt 1 gewonnenen Modelle verwendet und damit sowohl die Reglerstrukturen bestimmt als auch die Reglerparameter berechnet. All dies liegt integriert in der LabVIEW-Umgebung vor und kann angewendet werden, ohne die darin umgesetzten theoretischen Verfahren kennen zu müssen.
“ICP for LabVIEW von ExpertControl ist jetzt mit der neuesten Version von LabVIEW kompatibel und vervollständigt die NI Toolkette, indem der komplexe und bislang zeitraubende Vorgang der messdatenbasierten Systemcharakterisierung und des Regelungsentwurfs automatisiert ist,” sagte John Pasquarette, Direktor des Software Marketing bei National Instruments. “ICP for LabVIEW ermöglicht eine enorme Zeitersparnis bei der Entwicklung von Regelungssystemen, und die Ergebnisse können unmittelbar in industriellen Echtzeit-Anwendungen eingesetzt werden.”
Reale Systeme enthalten immer nichtlineare Komponenten. Um diese Tatsache in den Griff zu bekommen, liefert ICP for LabVIEW Regelungsstrukturen und die zugehörigen Parameter für verschiedene Arbeitspunkte. Dies ermöglicht, das Regelungssystem über den gesamten Arbeitsbereich zu betreiben. Das ruckfreie Umschalten zwischen Reglerstrukturen und Parametern ist in diesem Zusammenhang von entscheidender Bedeutung. CST for LabVIEW ist ein weiteres Produkt von ExpertControl, das flexible Reglerstrukturen enthält, die Ergebnisse von ICP verwenden kann und zudem ruckfreies Umschalten sicherstellt. CST ist verfügbar für Hardware von National Instruments wie NI FieldPoint, NI CompactRIO und NI PXI.
Datenblätter für diese Produkte und weitergehende Informationen kann man im Internet unter www.expertcontrol.com erhalten. Anwendungsberichte aus verschiedenen Gebieten sind ebenfalls verfügbar. Um diese zu erhalten, kontaktiert man ExpertControl am besten unter
Verwendete Produkt- und Firmennamen sind Markenzeichen oder Markennamen der jeweiligen Firmen.
MATLAB® ist ein registriertes Markenzeichen von The MathWorks, Inc.










