(openPR) EMO Hannover vom 18.-23. September 2017: Halle 4, Stand C26
Weinstadt, 25.08.2017. Die Kelch GmbH, spezialisiert auf Peripherie und Dienstleistungen für Hersteller und Anwender von Werkzeugmaschinen in der zerspanenden Fertigung, präsentiert auf der diesjährigen EMO in Hannover das System Safecontrol III. Das System wurde entwickelt, um die Spindeleinzugskraft der Maschinenspindel zu messen. Dabei handelt es sich nicht nur um eine Weiterentwicklung des bekannten Safecontrol II, sondern um ein vollständig erneuertes System mit zahlreichen Zusatzvorteilen.
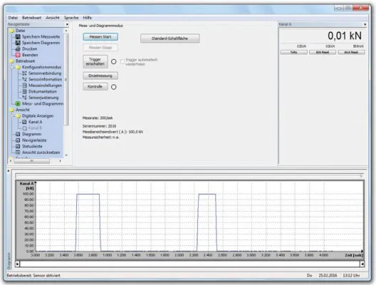
Messwerte speichern und auswerten
Safecontrol III deckt einen Messbereich von 2 bis 100 KN ab. Damit ist für die meisten Messaufgaben nur noch ein Basisgerät erforderlich im Gegensatz zu Wettbewerbsprodukten. Das benutzerfreundliche Gerätedesign macht die Bedienung einfach: Anhand von zwei Knöpfen lässt sich das Gerät einschalten, falls notwendig abnullen und nach der Messung den Messwert wahlweise speichern oder löschen. Dabei dient das Digitaldisplay zur Anzeige der Messwerte und durch eine integrierte Lageorientierung dreht sich der Displayinhalt automatisch so dass der Bediener den Messwert immer ergonomisch im Blick hat. Das System besteht aus einem Basis-Handgriff mit einer Schnittstelle zu allen gängigen Maschinenspindeln, etwa SK/BT 30 bis SK/BT 60, HSK 32 bis HSK 160 oder PSC 32 bis PSC 100. Im Basisgerät erfolgt die Auswertung der Spindeleinzugskraft. Dabei lassen sich alle Kegelvarianten per Schraubgewinde in wenigen Sekunden auswechseln. Anwender können die Messwerte bequem am Display des Basisgeräts auslesen. Da Safecontrol III bis zu 1000 Messwerte speichert, sind handschriftliche Notizen nicht nötig. Die Nutzer führen schnell und einfach die erforderlichen Messreihen aus. Anschließend lässt sich der Speicher direkt am PC auslesen, sodass eine zu 100 Prozent nachvollziehbare Prüfung aller Spindeleinzugskräfte pro Maschine möglich ist. Die gespeicherten Daten können statistisch ausgewertet werden. Safecontrol III von Kelch ist ab Ende des Jahres erhältlich.
„Ready for Industrie 4.0“
Ein besonderes Feature von Safecontrol III ist die Erweiterung um eine Tablet Lösung, deren Software über Funk mit dem Kraftmessstab kommuniziert. Das Prinzip: Die zu messenden Spindeln werden mittels QR Code eindeutig identifiziert. Anschließend misst das System die Einzugskraft und ordnet den Messwert direkt der richtigen Maschinenspindel in der Datenbank zu. Falsche Zuordnungen gehören mit dieser Neuheit endgültig der Vergangenheit an. Darüber hinaus sind die Entwickler von Kelch dem Leitspruch „Ready for Industrie 4.0“ gefolgt und haben weitere Prüffunktionen integriert. So werden die Maschinenspindeln vollautomatisch in einer eigenen Statistik geführt. Damit erkennt man frühzeitig Trends, wann Spindeleinzugskräfte nachlassen. Betriebe können mit Safecontrol III also zusätzlich Maschinenschäden und entsprechenden Folgekosten vorbeugen.













