(openPR) Power Integrations präsentiert zwei neue Produktfamilien TRIAC-dimmbarer, einphasiger, Treiber ICs mit integriertem PFC für LED Anwendungen. LinkSwitch-PH (optimiert für isolierte Anwendungen) und LinkSwitch-PL (optimiert für nichtisolierte Anwendungen) liefern flimmerfreies TRIAC-Dimming wie man es bis heute nur von Glühlampen gewohnt ist.
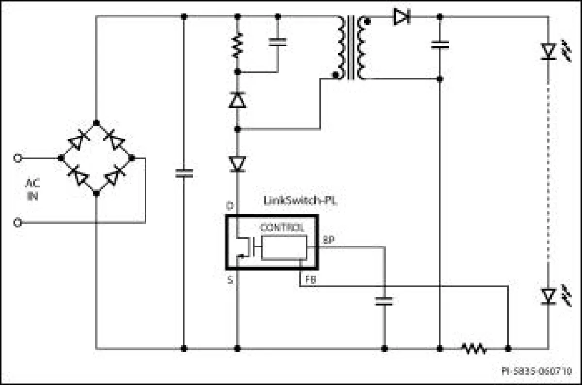
Die Produktfamilien LinkSwitch-PH und LinkSwitch-PL haben eine integrierte einphasige Leistungsfaktorkorrektur (PFC) und einen Power Faktor > 0,9. LinkSwitch-PH Lösungen sind mit eingebauter primärseitiger Steuerungstechnik ausgestattet, die die in traditionellen isolierten Sperrwandler-Designs verwendeten Optokoppler und deren unterstützenden Komponenten nicht mehr benötigen. Nichtisolierte LinkSwitch-PL Designs reduzieren die Komponentenanzahl und haben so eine verbesserte Verlässlichkeit und geringere Materialkosten (BOM) zur Folge. Diese neuen LinkSwitch Produkte sind optimiert für hohe Effizienz in einfachen Sperrwandler-Designs und arbeiten mit Eingangsspannungen von bis zu 305 VAC. So ermöglichen die ICs Anwendungen mit einer festgelegten Spannung als auch mit Universaleingang.
LEDs haben in der Regel eine Lebensdauer von mehr als 50 000 Betriebsstunden. Das schwächste Glied in einer LED-Beleuchtungsanlage ist oft die Treiberschaltung, die mit anfälligen Optokopplern und Elektrolytkondensatoren belastet wird. Power Integrations' Lösungen benötigen diese Bauteile im Design nicht mehr und dementsprechend kann die Lebensdauer des Treibers durchaus dem der präzise gesteuerten LED-Arrays entsprechen. Die LinkSwitch-PH Familie ist ab sofort verfügbar, die LinkSwitch-PL Familie wird im Laufe dieses Jahres folgen.
Ihr Ansprechpartner:
Torben Niermeyer
Tel.: +49 (0) 5424 2340-25
Email: ![]()













