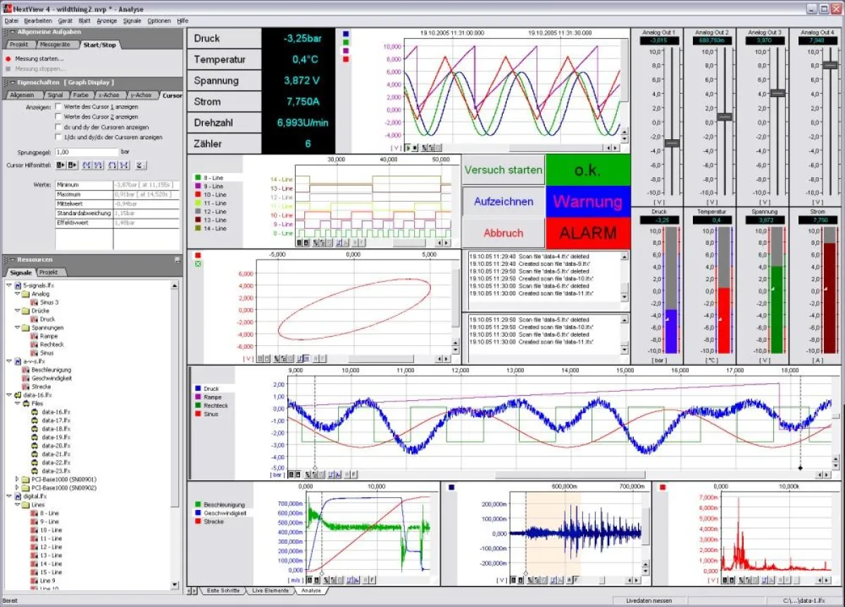
(openPR) "Vom Messwert bis zur Auswertung in 4 Mausklicks" beweist die BMC Messsysteme GmbH (bmcm) mit NextView - das dort im Direktvertrieb angeboten wird.
Maisach/München. In der heutigen Zeit ist es immer wichtiger aussagekräftige Ergebnisse in kurzer Zeit zu präsentieren. Die Ausfallzeit einer Anlage erzeugt sofort hohe Kosten. Diese können mit einer universellen Software erheblich reduziert werden, da der Service den Fehler schneller findet. Oder Messwerte aus der laufenden Produktion die rechtzeitig anzeigen dass die Schlagschere bald stumpf ist.
Sie reagieren mit Ihrem Serviceteam bevor es zu spät ist!
Mit NextView4 geben Sie Ihrem Servicetechniker ein Werkzeug an die Hand, dass es ihm erlaubt sich voll auf seine Aufgabe zu konzentrieren. NextView ist dabei so universell wie ein „Schweizer Messer“.
Die leichte Handhabung ist ein weiteres Merkmal. Besonders wenn Sie Heute noch nicht wissen was Sie morgen erwartet brauchen Sie eine Software die ohne jegliche Programmierung auskommt. Viele Anwender sind Spezialisten in ihrem Gebiet, brauchen jedoch zur Erfüllung ihrer Aufgabe die aktuellen Messwerte. Mit NextView ist es möglich ohne mehrtägige Schulung sofort aussagekräftige Ergebnisse zu erzielen. Auch wenn NextView nicht tagtäglich benutzt wird, ist gewährleistet dass der Anwender die Software sofort wieder bedienen kann. Bei Fragen steht der Support von BMC Messsysteme (bmcm) in Maisach dem Anwender hilfreich zur Seite und ist immer nur soweit entfernt wie das nächste Telefon.
Zusammengefasst bedeutet dies:
- NextView4 installieren
- sofort anzeigen (= messen) und aufzeichnen (= speichern)
- anschließend gespeicherte Werte darstellen und auswerten
- Diagramme bei Bedarf ausdrucken
… und fertig
Dem fortgeschrittenen / anspruchsvollen Anwender stehen zusätzlich vielfältige Möglichkeiten zur komplexen Auswertung und individuellen Anpassung zur Verfügung. Dabei ist es gleich ob für die kurze Messung beim Kunden oder als Datenlogger für die Qualitätssicherung und Fehlersuche: NextView als Einzelplatzlösung oder als Messdaten-Server mit vielen angeschlossenen Anwendern ist durch die gemeinsame Oberfläche immer leicht zu bedienen.
Mehr Informationen unter:
www.nextview.de oder
www.bmcm.de
BMC Messsysteme GmbH (bmcm)
Hauptstrasse 21
82216 Maisach /München
Telefon: +49 (0)8141/ 4041802
Telefax: +49 (0)8141/ 4041809
eMail:
URL: http://www.bmcm.de
*** Über die BMC Messsysteme GmbH (bmcm) ***
Die BMC Messsysteme GmbH (bmcm) wurde 1994 als eigenständige GmbH gegründet und hat Ihren Firmensitz in Maisach, ca. 30 km westlich von München. Diese Eigenständigkeit wurde bis Heute beibehalten, so dass die Zugehörigkeit zu einer Firmengruppe nie bestand und auch für die Zukunft nicht geplant ist. Als eine der einzigen deutschen Firmen werden bei bmcm alle Produkte vollständig in Deutschland selbst entwickelt und produziert. Somit noch Qualität "Made in Germany" mit einem hervorragenden Preis-/Leistungsverhältnis.
Die BMC Messsysteme GmbH bedient zwei Geschäftsfelder:
* Messtechnische Komponenten und PC-Messtechnik *
Dazu gehört eine grosse Palette von Anschlusssystemen, Messverstärkern, Messsystemen, Datenloggern und die dazugehörige Software.
http://www.bmcm.de/ger/prgr-products.html
* D2M (Design to Manufacturing) bzw. OEM Produkte *
BMC Messsysteme GmbH entwickelt und produziert elektronische Komponenten nach Kundenwunsch.
http://www.bmcm.de/ger/co-d2m.html











